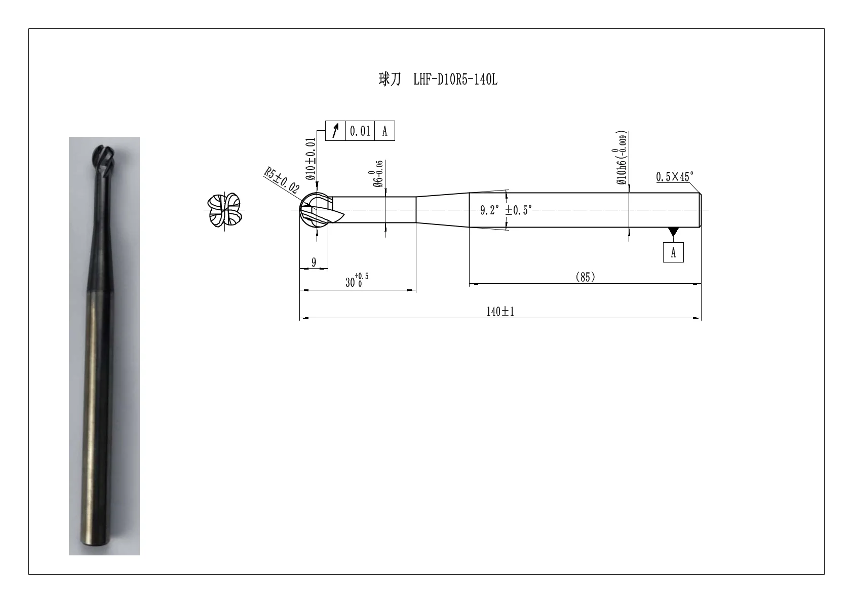
The Ball Nose End Mill-D10R5-140L is designed for 3D milling applications, offering smooth surface finishes with a 5mm radius and exceptional cutting precision.
Product Details:
Overview
This tool features a ball nose design with a 5mm radius, perfect for detailed 3D contouring and finishing tasks. It is suitable for complex milling projects in materials such as steel, aluminum, and composites.
Key Features
- 5mm ball nose radius for intricate designs.
- High-performance cutting with a 140mm overall length.
- Ideal for 3D profiling and fine detail work.
Benefits
Optimize your machining processes with this tool, ensuring precision in every cut for complex 3D surfaces, perfect for mold and die-making industries.
















